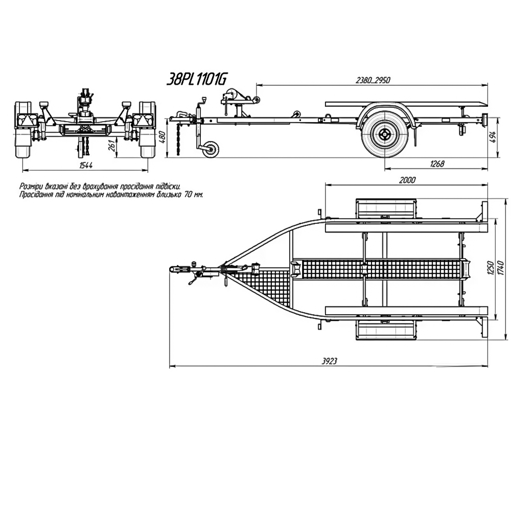
Причіп для перевезення гідроциклівКияшка 38PL1101G.<
Одновісний причіп призначений для перевезення гідроциклів. Стійке до корозії оцинковане покриття, подвійна ізоляція електропроводки, німецькі комплектуючі, ложементи, що повністю регулюються, носовий упор з роликовим приймачем і ходова частина - це ті елементи, які нададуть Вам максимальний комфорт при експлуатації причепа, а середній трап дозволить Вам спустити гідроцикл на воду максимально .
Причіп повністю виготовлений зі сталі, оцинкованої гарячим способом. Іде на колесах 175/70 R13.
Стандартна комплектація:
- Колеса;
- Опорне колесо;
- Лебідка 500кг + фал (AL-KO);
- Стяжний ремінь;
- Дві бічні підніжки;
- Середній трап.
| Характеристики легкового причепа | |
| Довжина гідроцикла, що перевозиться | 3200 мм |
| Довжина причепа корисна | 3200 мм |
| Корисна ширина причепа | 1300 мм |
| Випробувана вантажопідйомність | до 580 кг |
| Повна маса причепа паспортна | 750 кг |
| Маса причепа | 170 кг |
| Довжина причепа загальна | 3920 мм |
| Ширина причепа загальна | 1740 мм |
| Навантажувальна висота причепа | 487 мм |
| Висота причепа загальна | ----- |
| Підвіска колісна | Ресора+амортизатор |
| Гальмівна система | Ні |
| Матеріал рами | Сталь |
| Тип покриття рама/кузов | Гаряче цинкування |
| Колеса | 175/70 R13 |
| Комплектація причепа | Колеса,Опорне колесо,Лебідка,Стяжний ремінь,Дві бічні підніжки,Середній трап |
Причіп для гідроцикла, Причіп для водного мотоцикла, Лафет для гідроцикла, Причіп для перевезення двох гідроциклів
.png)


























